铜面键合剂
传统的工艺一般是采用超粗化/中粗化/微蚀药水等化学方法,或者磨刷/火山灰等物理方法来粗化铜表面,使得铜层可以与上层的树脂层通过物理的咬合作用来达到黏合的效果。
▍技术背景
在PCB生产过程中,感光树脂层(膜层,包括防焊油墨层、干膜以及湿膜等)与铜面(基材中的铜面层,称为基材层或铜面层)之间的结合力,需要稳定持久;确保在整个制程中不会移动、脱落、位移。因此,需要加强铜面与膜层的粘附力。
传统的工艺一般是采用超粗化/中粗化/微蚀药水等化学方法,或者磨刷/火山灰等物理方法来粗化铜表面,使得铜层可以与上层的树脂层通过物理的咬合作用来达到黏合的效果。
随着电子设备往轻、薄、短、小的方向发展,PCB单板层数的增加;线路的分布加快走向高密度化,线宽/线距越来越小。这对化学微蚀提出了挑战,因为化学微蚀或超粗化在处理过程中通常要咬去1-2um的铜,在加工线宽/线距2mil或更小的细线路时,线路尺寸会减少5%-10%甚至更多,这是不可接受的。
目前的覆膜工艺,为了获得更加良好的干膜与基材铜面结合力,需要将基材的铜面做得尽可能的粗糙化,而从实际的性能使用方面来分析,越粗糙的铜面,电流在铜面流动时就会在铜面表层形成越多的涡流信号,从而使得信号衰减越大,即现有PCB板前处理工艺会使铜表面变得很粗糙,而粗糙的铜表面会导致巨大的信号衰减,因此,现有的PCB前处理工艺已经无法满足高频信号的传输需求。
▍产品介绍
我司历经多年研发生产的铜面键合剂;活性物质的分子结构中;含有大量的巯基、羧基、羟基键;是一类具有两个或多个不同性质官能团的物质,其分子最大的特点就是分子中含有多个化学性质不同的基团,一类是亲无机物的基团,易与无机金属表面起化学反应;另一类是亲有机物的基团,能与合成树脂或其它聚合物发生化学反应或生成氢健溶于其中;达到金属基材与感光树脂的桥接作用,因此,铜面键合剂也称为分子桥粘合剂,用以改善无机金属与有机物之间的界面作用;能够改善无机物与有机物之间的界面作用,从而大大提高复合材料的各方面性能,如拉伸性能,热性能、光性能等。从而大大提高感光树脂的粘附性能。
键合改性是在基材金属粒子表面发生化学桥接反应,基材金属粒子表面经键合剂处理后可以与有机物产生很好的、浸润性、相容性。它既能与填充材料表面的某些基团反应,又能与基体树脂反应,在填充材料与树脂基体之间形成一个界面层。界面层能够传递应力,从而增强填充材料与树脂之间的黏合强度,提高复合材料的性能,同时还可以防止其他介质向界面渗透,改善界面状态。
▍产品作用原理
金属材料表面能指的是材料表面对液体或固体吸附和润湿的能力。表面能高的金属材料表面能够接受更多的润湿液体分子,使其更容易吸附和固定在材料表面上。表面能可以分为极性表面能和非极性表面能,极性表面能主要取决于材料表面的化学成分,而非极性表面能则取决于材料表面的电荷和溶剂特性。
我司研发的铜面键合剂在不腐蚀铜面的基础上,提升基材的表面能;改变铜表面的达因值,提升了干膜、湿膜、油墨与铜面的结合力。本产品不腐蚀铜面,不会因铜厚不足造成异常报废板出现,本药水无腐蚀性,不污染环境,不会有废水处理负担。
铜面键合剂的作用原理
铜面键合剂中的活性物质的分子结构中;含有大量的巯基、羧基、羟基键;易与无机金属表面起化学反应;另一类是亲有机物的基团,能与合成树脂或其它聚合物发生化学反应或生成氢健溶于其中;形成分子桥,达到金属基材与感光树脂的桥接作用,示意图如下。
键合剂与铜面上光致抗蚀剂发生的键合联结(分子桥)示意图

铜面键合剂产品优点
· 前处理不微蚀铜面,可减少镀铜,节省镀铜成本。
· 不腐蚀损伤铜面,不改变铜面颜色;减少铜面色差。
· 铜面光亮整洁、不会产生涡流电流,不造成信号失真;满足5G、6G高频信号传输要求。
· 提高铜面与干膜/湿膜/油墨的结合力,减少线路缺口/油墨脱落的问题。
· 可以多次重工,避免重工造成的铜厚不足造成的报废或客诉。
· 通过RoHS、欧盟REACH检测认证,环保无污染。
· 减少废酸的产生,降低废水处理的难度与费用。
· 工艺简单;无需改变现有设备(喷洒、浸泡、超声均可生产)。
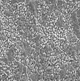
铜面键合剂与传统前处理后铜面外观及粗糙度对比
|
铜面键合剂 |
微蚀 |
中粗化 |
超粗化 |
|
|
|
|
|
|
铜面光亮、无损伤 |
表面微红、黯淡 |
表面黄红色 |
粗糙、表面深红色 |
|
|
|
|
|
|
铜面微观效果(电镜扫描图) |
|||
键合剂使用工序
可以适配于线路、防焊、内层等不同类型的工序,不同的工序需要使用专用的键合剂;详细型号及使用方法请向销售工程师索取。
铜面键合剂与各化学前处理优缺点比较

▍使用说明
优化后的PCB生产工艺流程图

铜面键合剂使用说明
|
建浴方式:按5%开缸量(开缸及补加均用纯水); |
设备需求:无特别要求,浸泡式产线更优 |
|
补加方式:添加液按12%开缸,手动或自动补加 |
处理时间:30-60S;使用温度:25±10℃ |
|
补加数量:25~30块板或8~10平米板,补加0.5-0.6L键合剂添加液。 |
|
|
换槽周期:一周。(自动补加管的出水口需设置在液面以下,在泵入口附近为最佳;手动添加效果较差)。 |
|
|
分析方法:常见为酸碱滴定法、HPLC、UV-Vis、灼烧法;不同型号的键合剂采用不同的分析方法。 |
|
|
上膜检测:在向光面,用肉眼观察,键合后的铜面,表面光泽度比未键合前要好。 水破实验:板面形成水膜,大于20秒无破水现象(测试流程及方法与传统水破测试相同)。 |
|
▍产品的理化性质
不同型号的键合剂的理化性质不尽相同;具体型号产品的理化性质,请向供应商索取该产品的MSDS说明书。
▍产品的环保特性
产品符合RoHS标准,符合欧盟REACH(化学品监管体系)标准;环保无污染。
▍安全作业防护
作业人员须佩戴护目镜,戴工业手套。不直接与皮肤接触。
▍储存与运输
储存:非危险货物,密封储存在阴凉干燥处,通风良好以及阳光无法直接照射的地方。
运输:非危险货物,仅限于中国大陆陆地运输;如需航运或海运请咨询相关管理部门。
▍应急处置
· 皮肤接触:脱去被污染的衣着,用肥皂水或清水彻底冲洗。
· 眼睛接触:提起眼睑,用流动清水或生理盐水冲洗。
· 经鼻吸入:用水和纸巾清洗鼻孔,离开现场并移至空气良好处。
· 经口食入:用大量清水漱口,如有不适就医帮助。
· 泄漏处置:残液收集于专用容器内,地面用清水刷洗干净。